Dossier du sous-sol

Identifiant national de l'ouvrage

BSS001UVTH

Ancien code - avant 2017
07241X0014

Localisation

Département

ISERE (38) - SGR/RHA

Commune

SERMERIEU (38483)

Nom local

483D

Numéro de carte

0724 

Huitième

1X 

Région naturelle

BAS-DAUPHINE

Bassin versant

Non renseigné

Adresse ou Lieu-dit

SERMERIEU - LECHERES

Coordonnées

Système X (m) Y (m)
Lambert 2 étendu 838534 2078625
Lambert 2 - Centre 838534 78625
Lambert-93 886689 6510237
Système Latitude Longitude
WGS84 45.66617537 | 45° 39' 58'' N 5.39804353 | 5° 23' 52'' E

Altitude

244.0 m - Précision EPD

Description technique

Nature

PUITS

Profondeur atteinte

12.6 m

Diamètre de l'ouvrage

Non renseigné

Date fin de travaux

Non renseigné

Mode d'exécution

Non renseigné

Etat de l'ouvrage

EXPLOITE, ACCES, POMPE, MESURE, PRELEV.

Utilisation

EAU-COLLECTIVE

Objet de la recherche

Non renseigné

Objet de l'exploitation

EAU.

Objet de la reconnaissance

Non renseigné

Gisement

Non renseigné

Références

RAPP HYDROGEOL.AGREE MICHEL R DU 11 07 1985 - DU 07 10 65 ET DU 07 01 69

Référencé comme point d'eau

Oui OUI

Niveau d'eau mesuré par rapport au sol

Non renseigné

Coupe

Z Origine

Non renseigné

Auteur

Non renseigné

Date

Non renseigné

Document(s) numérisé(s)

12 document(s)

Vignette Nom Type Poids
S318339.JPG
  • FICHE D'ESSAI DE DEBIT
552 Ko
S318340.JPG
  • PIEZOMETRIE
1107 Ko
S318341.PDF
  • RAPPORT
533 Ko
S318348.PDF
  • ANALYSE D'EAU
453 Ko
S318385.PDF
  • DIVERS
1600 Ko
S318498.JPG
  • COUPE GEOLOGIQUE INTERPRETEE
275 Ko
S318499.JPG
  • FICHE D'ESSAI DE DEBIT
304 Ko
S318507.PDF
  • FICHE D'ESSAI DE DEBIT
393 Ko
S319077.PDF
  • RAPPORT
17956 Ko
U82460.TIF
  • PAGE DE RAPPORT
9 Ko
U82461.TIF
  • PLAN DE LOCALISATION
350 Ko
U82462.TIF
  • PLAN DE LOCALISATION
101 Ko

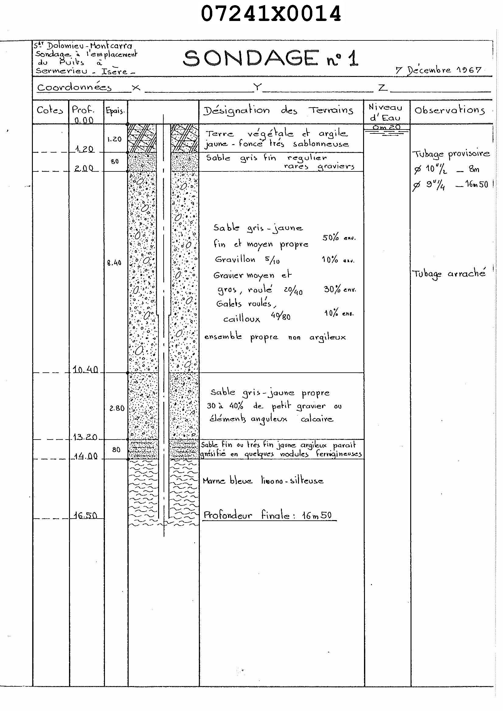
Log géologique numérisé



Nombre de niveaux :

6
Profondeur Lithologie Stratigraphie
De 0 à 1,2 m Terre végétale et argile jaune foncé très sableuse
De 1,2 à 2 m Sable gris fin régulier rares graviers
De 2 à 10,4 m Sable gris jaune fin et moyen propre, gravillon, gravier moyen et gros,...
De 10,4 à 13,2 m Sable gris jaune propre, de petit gravier ou éléments anguleux calcaire
De 13,2 à 14 m Sable fin ou très fin jaune argileux parait grésifié en quelques nodules ferrigineuses
De 14 à 16,5 m Marne bleue limono-silteuse