Dossier du sous-sol

Identifiant national de l'ouvrage

BSS001ZBPE

Ancien code - avant 2017
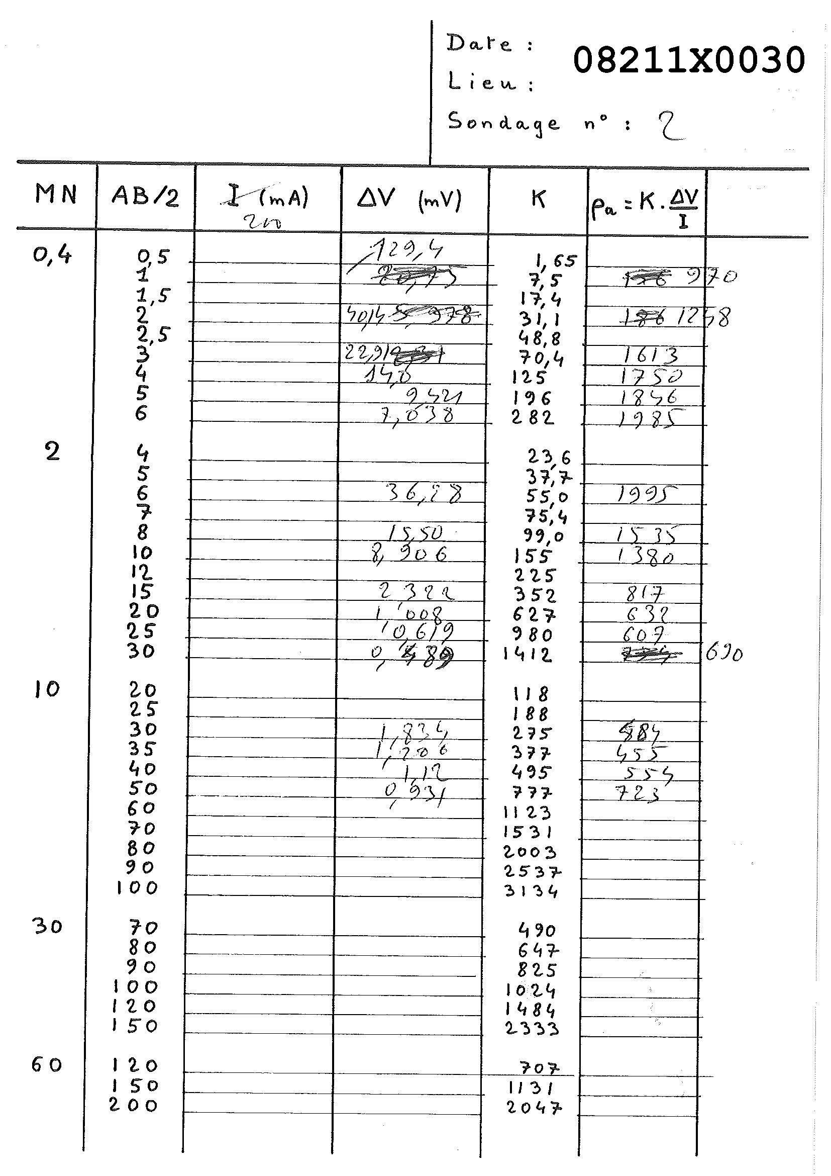
08211X0030

Localisation

Département

ISERE (38) - SGR/RHA

Commune

NANTES EN RATIER (38273)

Nom local

P

Numéro de carte

0821 

Huitième

1X 

Région naturelle

Non renseigné

Bassin versant

Non renseigné

Adresse ou Lieu-dit

SAGNES

Coordonnées

Système X (m) Y (m)
Lambert 2 étendu 875179 1996721
Lambert 3 - Sud 875069 296523
Lambert-93 922595 6428100
Système Latitude Longitude
WGS84 44.91630642 | 44° 54' 58'' N 5.8212281 | 5° 49' 16'' E

Altitude

830.0 m - Précision

Description technique

Nature

SOURCE

Profondeur atteinte

Non renseigné

Diamètre de l'ouvrage

Non renseigné

Date fin de travaux

Non renseigné

Mode d'exécution

Non renseigné

Etat de l'ouvrage

AMENAGE, EXPLOITE.

Utilisation

EAU-COLLECTIVE

Objet de la recherche

Non renseigné

Objet de l'exploitation

EAU.

Objet de la reconnaissance

Non renseigné

Gisement

Non renseigné

Références

Commune de Nantes en Ratier - Observations hydogéologiques

Référencé comme point d'eau

Oui OUI

Niveau d'eau mesuré par rapport au sol

Non renseigné

Coupe

Z Origine

Non renseigné

Auteur

Non renseigné

Date

Non renseigné

Document(s) numérisé(s)

9 document(s)

Vignette Nom Type Poids
S281644.JPG
  • DIVERS
608 Ko
S281645.JPG
  • DIVERS
425 Ko
S281646.JPG
  • DIVERS
335 Ko
S281647.JPG
  • PLAN DE LOCALISATION
1926 Ko
S281648.JPG
  • PLAN DE LOCALISATION
684 Ko
S281649.JPG
  • DIVERS
507 Ko
S281650.JPG
  • DIVERS
453 Ko
S281651.JPG
  • ANALYSE D'EAU
255 Ko
U101051.TIF
  • PLAN DE LOCALISATION
462 Ko

Log géologique numérisé

Non renseigné

Nombre de niveaux :

0 Aucune coupe disponible