Identifiant national de l'ouvrage
			
			
				BSS002DMKE
			
			
				
					Ancien code - avant 2017
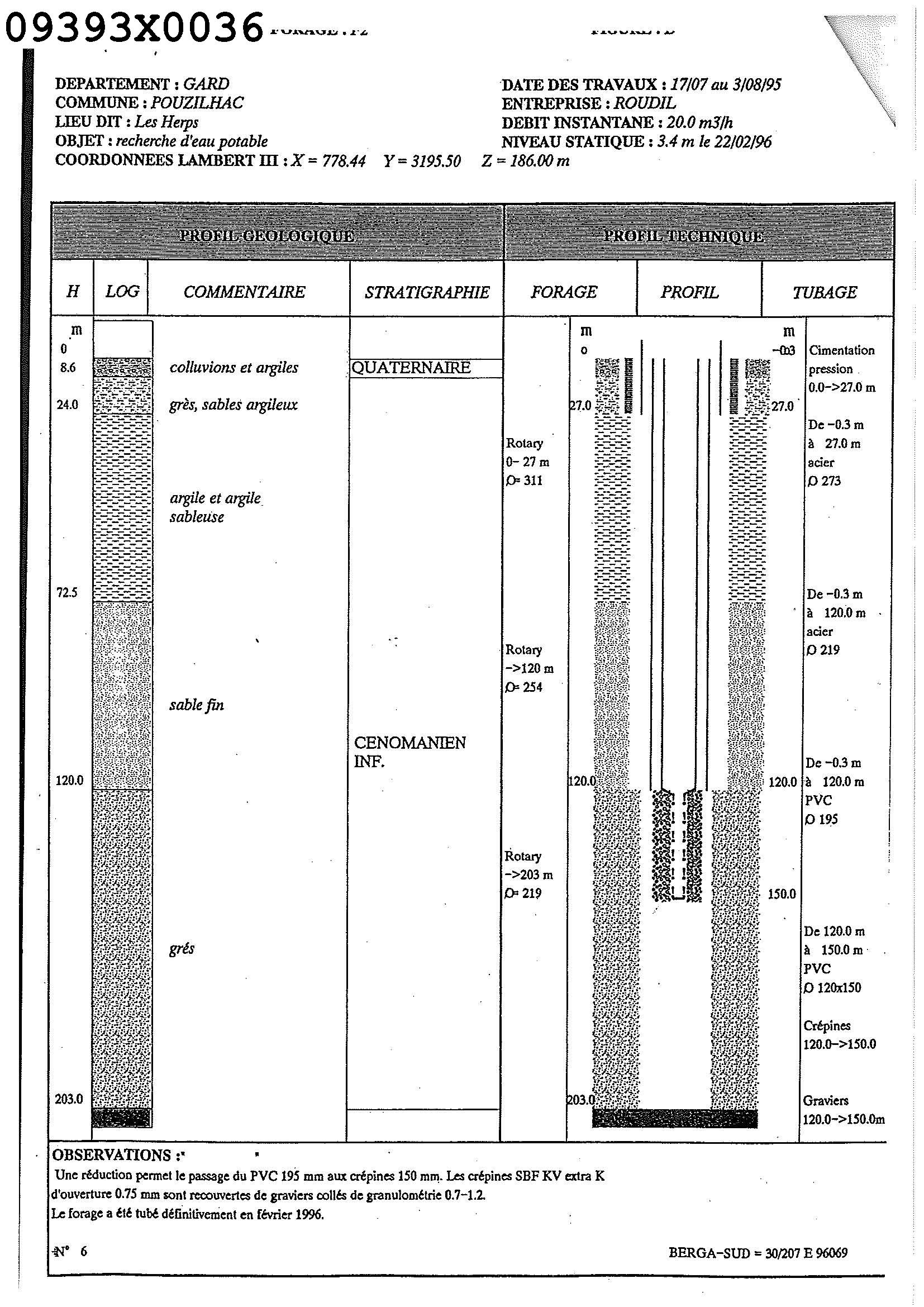
					09393X0036
				
			
			
				
					Localisation
				
				
					
						Département
					
					 GARD (30) - SGR/LRO 
					
					
						Commune
					
					 POUZILHAC (30207) 
					
					
						Nom local
					
					 HERPS 
					
					
						Numéro de carte
					
					 0939 
					
					
						Huitième
					
					 3X 
					
					
						Région naturelle
					
					  
							Non renseigné
						
					
					
						Bassin versant
					
					  
							Non renseigné
						
					
					
						Adresse ou Lieu-dit
					
					 LES HERPS 
					
					
						Coordonnées
					
					
						
							| Système | X (m) | Y (m) | 
						
							
								| Lambert 2 étendu | 778641 | 1895460 | 
						
						
							| Lambert 3 - Sud | 778440 | 195500 | 
						
							
								| Lambert-93 | 825293 | 6327771 | 
						
					
					
						
							
								| Système | Latitude | Longitude | 
							
								| WGS84 | 44.03777993 | 44° 2' 16'' N | 4.56327337 | 4° 33' 47'' E | 
						
					
					
						Altitude
					
					 
							
							
								
									186.0 m - Précision
									
								
								
							
						 
					
				 
				
			 
			
				
					Description technique
				
				
				
					Nature
				
				 
						
						
							FORAGE
						
					 
				
				
					Profondeur atteinte
				
				 
						
							203.0 m
						
					 
				
				
					Diamètre de l'ouvrage
				
				 
						
							273 mm
						
					 
				
				
					Date fin de travaux
				
				 1995-08-03 00:00:00.0 
				
				
					Mode d'exécution
				
				 ROTATION. 
				
				
					Etat de l'ouvrage
				
				 ACCES, TUBE-METAL.
					
				
				
					Utilisation
				
				 
						
						
							
						
					 
						Non renseigné
					
				
				
					Objet de la recherche
				
				 EAU. 
				
				
					Objet de l'exploitation
				
				 EAU. 
				
				
					Objet de la reconnaissance 
				
				  
						Non renseigné
					
				
				
					Gisement
				
				  
						Non renseigné
					
				
				
					Références
				
				 DÉBIT = 0 M3/H - 
				
				
					Référencé comme point d'eau
				
				 
						
							
							 OUI
						
						
					 OUI 
				
				
					Niveau d'eau mesuré par rapport au sol
				
				 
						
						
							4.4 m
							- 1995-09-05 00:00:00.0
						
					 
				  
				
					Coupe
				
				
					Z Origine
				
				 
						186.0 - Précision :
						EPD
					 
				
				
					Auteur
				
				 BERGA SUD 
				
				
					Date
				
				 1995-08-03 00:00:00.0 
				
			 
			
				
					Document(s) numérisé(s)
				
				
					
					
						6 document(s)
						
						
						
					
				
			 
			
				
					Log géologique numérisé
				
				
				
				 
				
					Nombre de niveaux
					:
				
				5
				
					
					
						
							
								
									| Profondeur | Lithologie | Stratigraphie | 
							
							
								
									
										| De 0 à 8,6 m | COLLUVIONS | QUATERNAIRE | 
								
									
										| De 8,6 à 24 m | GRÈS, SABLE ARGILEUX | CENOMANIEN-INF | 
								
									
										| De 24 à 72,5 m | ARGILE & ARGILE SABLEUSE | CENOMANIEN-INF | 
								
									
										| De 72,5 à 120 m | SABLE FIN | CENOMANIEN-INF | 
								
									
										| De 120 à 203 m | GRÈS | CENOMANIEN-INF |