Identifiant national de l'ouvrage
BSS002FYSN
Ancien code - avant 2017
09842A0015
Localisation
Département
HAUTE GARONNE (31) - SGR/MPY
Commune
PAULHAC (31407)
Nom local
S3
Numéro de carte
0984
Huitième
2X
Région naturelle
MOLLASSES
Bassin versant
Non renseigné
Adresse ou Lieu-dit
PLAN D'EAU DE BAZUS
Coordonnées
| Système |
X (m) |
Y (m) |
| Lambert 2 étendu |
535051 |
1859746 |
| Lambert 3 - Sud |
535140 |
159930 |
| Lambert-93 |
581669 |
6294147 |
| Système |
Latitude |
Longitude |
| WGS84 |
43.73646087 | 43° 44' 11'' N |
1.5313696 | 1° 31' 52'' E |
Altitude
160.0 m - Précision
EPD
Description technique
Nature
SONDAGE
Profondeur atteinte
10.0 m
Diamètre de l'ouvrage
Non renseigné
Date fin de travaux
1977-05-03 00:00:00.0
Mode d'exécution
CAROT-BATTU,CAROTTAGE,EAU.
Etat de l'ouvrage
ACCES, PAROI-NUE.
Utilisation
Non renseigné
Objet de la recherche
Non renseigné
Objet de l'exploitation
Non renseigné
Objet de la reconnaissance
Non renseigné
Gisement
Non renseigné
Références
CF DOSSIERS 09842A0013 A 0015
Référencé comme point d'eau
OUI
Niveau d'eau mesuré par rapport au sol
Non renseigné
Coupe
Z Origine
160.0 - Précision :
EPD
Auteur
VULTAGGIO
Date
1977-05-03 00:00:00.0
Document(s) numérisé(s)
1 document(s)
| Vignette |
Nom |
Type |
Poids |
|
|
T191255.TIF |
- RECAPITULATIF DE L'OUVRAGE
|
78 Ko |
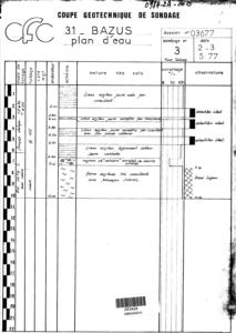
Log géologique numérisé
Nombre de niveaux
:
5
| Profondeur |
Lithologie |
Stratigraphie |
| De 0 à 3,8 m
| ALLUV: LIMON, ARGILEUX JAUNE VERT |
QUATERNAIRE |
| De 3,8 à 4,5 m
| ALLUV: PRE/LIMON, ARGILEUX JAUNE VERT/SABLE, EN-PASSEE RARE/ |
QUATERNAIRE |
| De 4,5 à 6,4 m
| ALLUV: LIMON, ARGILEUX SABLEUX JAUNE VERT |
QUATERNAIRE |
| De 6,4 à 7,1 m
| ROC/MARNE, ALTERE/CALCAIRE, EN-ROGNON/ |
STAMPIEN-SUP-NS |
| De 7,1 à 10 m
| ARGILE, CALCAIRE CONSISTANT INDURE\ |
STAMPIEN-SUP-NS |