Identifiant national de l'ouvrage
BSS001SXTZ
Ancien code - avant 2017
06937X1330
Localisation
Département
PUY DE DOME (63) - SGR/AUV
Commune
CLERMONT FERRAND (63113)
Nom local
S2
Numéro de carte
0693
Huitième
7X
Région naturelle
Non renseigné
Bassin versant
Non renseigné
Adresse ou Lieu-dit
AVE BERGOUNIAN, BD BERTHELOT
Coordonnées
| Système |
X (m) |
Y (m) |
| Lambert 2 étendu |
657150 |
2087140 |
| Lambert 2 - Centre |
657150 |
87140 |
| Lambert-93 |
705549 |
6520285 |
| Système |
Latitude |
Longitude |
| WGS84 |
45.78216428 | 45° 46' 55'' N |
3.07141748 | 3° 4' 17'' E |
Altitude
385.0 m - Précision
EPD
Description technique
Nature
SONDAGE
Profondeur atteinte
20.0 m
Diamètre de l'ouvrage
Non renseigné
Date fin de travaux
1970-10-13 00:00:00.0
Mode d'exécution
Non renseigné
Etat de l'ouvrage
Non renseigné
Utilisation
Non renseigné
Objet de la recherche
Non renseigné
Objet de l'exploitation
Non renseigné
Objet de la reconnaissance
SOL-FONDATION.
Gisement
Non renseigné
Références
FASCICULE GEOTECHNIQUE DOSSIER 693 7-1329
Référencé comme point d'eau
NON
Niveau d'eau mesuré par rapport au sol
2.35 m
- 1970-10-08 00:00:00.0
Coupe
Z Origine
Non renseigné
Auteur
Non renseigné
Date
Non renseigné
Document(s) numérisé(s)
1 document(s)
| Vignette |
Nom |
Type |
Poids |
|
|
A207207.TIF |
- RECAPITULATIF DE L'OUVRAGE
|
28 Ko |
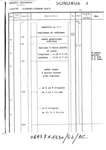
Log géologique numérisé
Nombre de niveaux
:
5
| Profondeur |
Lithologie |
Stratigraphie |
| De 0 à 2,7 m
| REMBLAIS ET TERRE VEGETALE ARGILEUSE ET SABLEUSE |
|
| De 2,7 à 4,1 m
| SABLE GRANITIQUE ARGILEUX |
|
| De 4,1 à 7,5 m
| BLOCS, GALETS, SABLE |
|
| De 7,5 à 13,5 m
| SABLE A GRAINS MOYENS TRES ARGILEUX 30 A 40% D'ARGILE |
|
| De 13,5 à 20 m
| SABLE A GRAINS MOYENS TRES ARGILEUX 20% D'ARGILE |
|